东莞市海涛冷气工程有限公司 东莞市海涛冷气工程有限公司 加入收藏 / 设为首页 / 在线留言
服务热线:0769-22255698
联系人:曹生13006808090
  首 页 关于海涛 服务项目 工程案例 清洗设备 行业资讯 在线咨询 联系我们  

√您好,欢迎进入东莞市海涛冷气工程有限公司网站,我们竭诚为您服务,电话:0769-22255698         关键词:东莞中央空调清洗,深圳中央空调清洗,中央空调风管清洗

中央空调风管清洗
东莞中央空调清洗
中央空调通风管道清洗服务
中央空调维修保养服务
中央空调安装工程
中央空调消毒设备工程
环保工程
东莞中央空调清洗
深圳中央空调清洗
地 址:广东省东莞市东城街道东城路东城段283号世博广场10栋1305室
电 话:0769-22255698
手 机:13006808090/曹先生
邮 箱:dghaitaozhileng@163.com

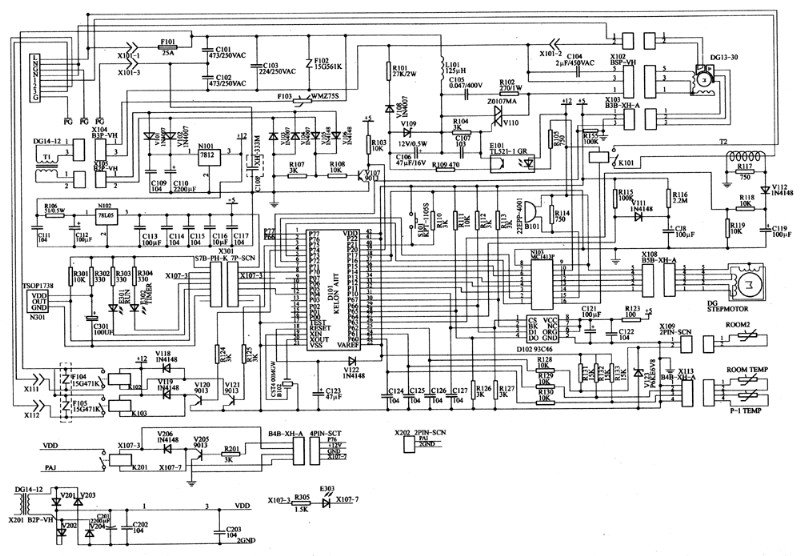
空调控制电路原理图


[返回]   
中央空调风管清洗
首 页 - 关于海涛 - 服务项目 - 案例展示 - 清洗设备 - 行业资讯 - 清洗技术 - 人才招聘 - 在线咨询 - 联系我们
东莞市海涛冷气工程有限公司 版权所有@ Copyright 百度统计 粤ICP备14098735号
顾客服务中心:0769-22255698  联系人:13006808090/曹先生 Bmap Gmap 访问量:
*本站相关网页素材及相关资源均来源互联网,如有侵权请速告知,我们将会在24小时内删除* [后台管理]
关闭
点击这里给我发消息
点击这里给我发消息